Nemokamas pristatymas nuo 70 EUR

60 dienų grąžinimo politika

Ekspertų patarimai

+370 5 239 2959

10% nuolaida pasirinktoms prekėms perkant prekių už daugiau nei 170€. Galioja iki 17. 5. 2026. Kodas: TA210LT

KopijuotiNukopijuota

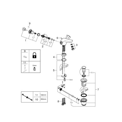
  • Prekės aprašymas

    • Metalinės rankenėlės užtikrina ilgaamžiškumą ir patvarumą.
    • Šilumą izoliuojančios rankenėlės užtikrina saugų naudojimą.
    • Sraigtinis mechanizmas užtikrina patogų valdymą.
    • GROHE Long-Life kasetė užtikrina patikimą veikimą.
    • Lietinis ištekėjimo snapas su perlatoriumi taupo vandenį.
    • Nutekėjimo rinkinys 1 1/4" pilnai montavimui.
    • Lankstios prijungimo žarnos palengvina montavimą.
    • GROHE StarLight paviršiaus apdaila užtikrina ilgalaikį blizgesį ir lengvą priežiūrą.
    • Vienos angos montavimas ant stalviršio – paprastas įrengimas.
    • Klasikinis dizainas tinka kiekvienai vonios kambariui.
    • Maišytuvo aukštis 107 mm – patogiam naudojimui.
    • Ištekėjimo ilgis 100 mm – optimalus pasiekiamumas.
    • Comfort zona 78 mm užtikrina pakankamai erdvės po snapu.
    • Chromuotas paviršius suteikia elegantišką išvaizdą.
    • Suderinamas su standartinių dydžių praustuvais.

    Prekės ženklas

    GROHE

    Šis produktas yra šiose kategorijose

    Čiaupai, Grohe, Kriauklės maišytuvai, Prekių ženklai, Vonia, Vonios čiaupai
  • Parametrai

  • Dokumentai atsisiuntimui

  • Įvertinimai ir apžvalgos0

  • Klausimai apie prekę0

0.00

/ 0

Produktų įvertinimai

0
0
0
0
0
Išsamus įvertinimas

GROHE 21390001 - Praustuvo maišytuvas COSTA L, DN 15, blizgus chromas

153,90
Pagal užsakymą, per 14 dienų

Spalva

  • GROHE 21390001 - Praustuvo maišytuvas COSTA L, DN 15, blizgus chromas

    Blizgus chromas153,90

  • GROHE 23933001 - Praustuvo maišytuvas EUROSMART COSMOPOLITAN, dydis L, chromuotas

    Blizgus chromas138,90

  • GROHE 23803000 - EUROSMART praustuvo maišytuvas, blizgus chromas

    Blizgus chromas70,90

  • GROHE 23746002 - START praustuvo maišytuvas, M dydis, blizgus chromas

    Blizgus chromas105,90

  • GROHE 24204002 - praustuvo maišytuvas START, M dydis, blizgus chromas

    Blizgus chromas91,90

  • GROHE 19575001 - Praustuvo maišytuvas CONCETTO 147 mm, dvi montavimo angos, blizgus chromas

    Blizgus chromas188,90

  • GROHE 23446000 - Praustuvo maišytuvas EUROCUBE DN 15, blizgus chromas

    Blizgus chromas208,90

  • GROHE 32856000 - Praustuvo maišytuvas BAULOOP 12” blizgus chromas

    Blizgus chromas94,90

  • GROHE 32868000 - Praustuvo maišytuvas BAUCLASSIC DN 15 blizgus chromas

    Blizgus chromas108,90

  • GROHE 2312700E - Praustuvo maišytuvas EUROCUBE, dydis S, blizgus chromas

    Blizgus chromas202,90

  • GROHE 23800000 - Praustuvo maišytuvas GET, M dydis, blizgus chromas

    Blizgus chromas137,90

  • GROHE 23764000 - Praustuvo maišytuvas BAULOOP DN 15 blizgus chromas

    Blizgus chromas115,90

  • GROHE 19408001 - ESSENCE praustuvo maišytuvas, 183 mm, blizgus chromas

    Blizgus chromas197,90

  • GROHE 23707003 - EUROSTYLE praustuvo maišytuvas, 163 mm, blizgus chromas

    Blizgus chromas114,90

  • GROHE 23447000 - praustuvo maišytuvas EUROCUBE 231 mm blizgus chromas

    Blizgus chromas263,90

  • GROHE 23784000 - Praustuvo maišytuvas START CLASSIC 357 mm blizgus chromas

    Blizgus chromas118,90

  • GROHE 24316001 - SWIFT praustuvo maišytuvas DN 15 blizgus chromas

    Blizgus chromas70,90

  • GROHE 20187000 - praustuvo trijų skylių maišytuvas EUROSMART COSMOPOLITAN DN 15 chromuotas

    Blizgus chromas188,90

  • GROHE 33265002 - Praustuvo maišytuvas EUROSMART DN 15, dydis S, blizgus chromas

    Blizgus chromas67,90

  • GROHE 24203002 - praustuvo maišytuvas START, L dydis, blizgus chromas

    Blizgus chromas131,90

  • GROHE 33155002 - Praustuvo maišytuvas EUROPLUS DN 15 blizgus chromas

    Blizgus chromas268,90

  • GROHE 32805000 - Praustuvo maišytuvas BAUCURVE DN 15 blizgus chromas

    Blizgus chromas66,90

  • GROHE 23463001 - Praustuvo maišytuvas ESSENCE, M dydis, blizgus chromas

    Blizgus chromas175,90

  • GROHE 23325000 - praustuvo maišytuvas EUROSMART COSMOPOLITAN, M dydis, chromuotas

    Blizgus chromas107,90

  • GROHE 24326001 - Praustuvinis maišytuvas SWIFT DN 15 dydis M blizgus chromas

    Blizgus chromas83,90

  • GROHE 23054003 - praustuvo maišytuvas EURODISC COSMOPOLITAN, dydis L, chromuotas

    Blizgus chromas204,90

  • GROHE 32854000 - praustuvo maišytuvas BAULOOP blizgus chromas

    Blizgus chromas69,90

  • GROHE 21100001 - Praustuvo maišytuvas COSTA L DN 15, blizgus chromas

    Blizgus chromas119,90

  • GROHE 23719003 - Praustuvo maišytuvas EUROSTYLE XL, blizgus chromas

    Blizgus chromas222,90

  • GROHE 23049002 - Praustuvo maišytuvas EURODISC COSMOPOLITAN, dydis S, chromas

    Blizgus chromas163,90

  • GROHE 24209002 - Praustuvo maišytuvas START DN 15, blizgus chromas

    Blizgus chromas80,90

  • GROHE 23337000 - Praustuvo maišytuvas BAULOOP DN 15 blizgus chromas

    Blizgus chromas65,90

  • GROHE 23551002 - praustuvo maišytuvas START, S dydis, blizgus chromas

    Blizgus chromas83,90

  • GROHE 32618003 - Praustuvo maišytuvas PLUS XL, blizgus chromas

    Blizgus chromas321,90

  • GROHE 3246920E - praustuvo maišytuvas EURODISC COSMOPOLITAN, dydis S, chromas

    Blizgus chromas158,90

  • GROHE 33177002 - praustuvo maišytuvas EURODISC COSMOPOLITAN DN 15 blizgus chromas

    Blizgus chromas218,90

  • GROHE 19895000 - Praustuvo dviejų angų maišytuvas EUROCUBE 171 mm blizgus chromas

    Blizgus chromas251,90

  • GROHE 20393001 - Statomasis ventilis COSTA L DN 15, blizgus chromas

    Blizgus chromas64,90

  • GROHE 24325001 – praustuvo maišytuvas SWIFT DN 15, M dydis, blizgus chromas

    Blizgus chromas73,90

  • GROHE 19573002 - Dviejų skylių praustuvo maišytuvas EURODISC COSMOPOLITAN 11x17 cm chromas

    Blizgus chromas204,90

  • GROHE 24327001 - praustuvo maišytuvas SWIFT, M dydis, blizgus chromas

    Blizgus chromas82,90

  • GROHE 23550002 - START praustuvo maišytuvas DN 15, blizgus chromas

    Blizgus chromas80,90

  • GROHE 23448002 - Praustuvo maišytuvas EURODISC COSMOPOLITAN, dydis M, chromuotas

    Blizgus chromas186,90

  • GROHE 20617001 - Stovimo tipo vožtuvas SWIFT, dydis XS, blizgus chromas

    Blizgus chromas51,90

  • GROHE 29306003 - Praustuvo maišytuvas PLUS 203 mm blizgus chromas

    Blizgus chromas250,90

  • GROHE 23449002 - Praustuvo maišytuvas EURODISC COSMOPOLITAN, dydis M, chromuotas

    Blizgus chromas181,90

  • GROHE 32860001 - Praustuvo maišytuvas BAUEDGE 304 mm blizgus chromas

    Blizgus chromas113,90

  • GROHE 23043003 - Praustuvo maišytuvas EUROSTYLE COSMOPOLITAN dydis L chromuotas

    Blizgus chromas172,90

  • GROHE 32204001 - Praustuvo maišytuvas CONCETTO DN 15 blizgus chromas

    Blizgus chromas129,90

  • GROHE 23322001 - Praustuvo maišytuvas EUROSMART DN 15, blizgus chromas

    Blizgus chromas84,90

  • GROHE 20289000 - Praustuvo dviejų angų maišytuvas BAULOOP 110 mm blizgus chromas

    Blizgus chromas176,90

  • GROHE 23921000 - Praustuvo maišytuvas EUROSMART COSMOPOLITAN XL, blizgus chromas

    Blizgus chromas171,90

  • GROHE 23769000 - Praustuvo maišytuvas START FLOW, blizgus chromas

    Blizgus chromas68,90

  • GROHE 23739002 - Praustuvo maišytuvas CONCETTO 291 mm blizgus chromas

    Blizgus chromas219,90

  • GROHE 20474001 - Praustuvo maišytuvas paslėptam montavimui 177 mm blizgus chromas

    Blizgus chromas157,90

  • GROHE 24199001 - Praustuvo maišytuvas START EDGE DN 15 blizgus chromas

    Blizgus chromas79,90

  • GROHE 23777001 - Praustuvo maišytuvas START EDGE, XL dydis, blizgus chromas

    Blizgus chromas113,90

  • GROHE 20201000 - UNIVERSAL stalviršinis vožtuvas 113 mm, blizgus chromas

    Blizgus chromas106,90

  • GROHE 23799001 - ESSENCE praustuvo maišytuvas, L dydis, blizgus chromas

    Blizgus chromas197,90

  • GROHE 23873003 - Praustuvo maišytuvas PLUS dydis L blizgus chromas

    Blizgus chromas269,90

  • GROHE 23657000 - Praustuvo maišytuvas EUROCUBE JOY, M dydis, blizgus chromas

    Blizgus chromas244,90

  • GROHE 23590DL1 - Praustuvo maišytuvas ESSENCE dydis S bronzinis

    Bronzos238,90

  • GROHE 23405DC1 - Praustuvo maišytuvas LINEARE DN 15, nerūdijančio plieno

    Nerūdijantis plienas403,90

  • GROHE 23590AL1 - ESSENCE praustuvo maišytuvas, S dydis, grafitas

    Grafitas238,90

  • GROHE 32901AL1 - praustuvo maišytuvas ESSENCE dydis XL grafitas

    Grafitas428,90

  • GROHE 23462DC1 - Praustuvo maišytuvas ESSENCE, dydis M, iš nerūdijančio plieno

    Nerūdijantis plienas263,90

  • GROHE 23586LS0 - praustuvo maišytuvas GET dydis S baltas

    Balta132,90

  • GROHE 23406AL0 - Praustuvo maišytuvas EUROCUBE, XL dydis, grafito spalva

    Grafitas451,90

  • GROHE 231232433 - praustuvo maišytuvas START DN 15 dydis S juodas

    Juoda154,90

  • GROHE 23589DC1 - Praustuvo maišytuvas ESSENCE, dydis S, nerūdijančio plieno

    Nerūdijantis plienas215,90

  • GROHE 23589AL1 - Praustuvo maišytuvas ESSENCE, dydis S, grafito spalva

    Grafitas251,90

  • GROHE 235752432 - Praustuvo maišytuvas START 192 mm juodas

    Juoda119,90

  • GROHE 23590A01 - Praustuvo maišytuvas ESSENCE DN 15, S dydis, grafito spalva

    Grafitas223,90

  • GROHE 23791DC1 - praustuvo maišytuvas LINEARE iš nerūdijančio plieno

    Nerūdijantis plienas254,90

  • GROHE 19967A01 - praustuvo maišytuvas ESSENCE 230 mm grafitas

    Grafitas334,90

  • GROHE 32109GL1 - Praustuvo maišytuvas LINEARE auksinis

    Aukso293,90

  • GROHE 32901DA1 - Praustuvo maišytuvas ESSENCE bronzinis

    Bronzos401,90

  • GROHE 23590GL1 - Praustuvo maišytuvas ESSENCE DN 15 dydis S auksinis

    Aukso223,90

  • GROHE 32628AL1 - ESSENCE praustuvo maišytuvas, L dydis, antracitas

    Antracito316,90

  • GROHE 32901DC1 - ESSENCE praustuvo maišytuvas XL, nerūdijančio plieno

    Nerūdijantis plienas374,90

  • GROHE 242032432 - Praustuvo maišytuvas START 311 mm juodas

    Juoda170,90

  • GROHE 19967AL1 - praustuvo dviejų skylių maišytuvas ESSENCE 230 mm grafito

    Grafitas356,90

  • GROHE 19967DC1 - ESSENCE praustuvo maišytuvas dviem angoms, 230 mm, iš nerūdijančio plieno

    Nerūdijantis plienas311,90

  • GROHE 19408A01 – ESSENCE 183 mm kriauklės maišytuvas, grafitas

    Grafitas296,90

  • GROHE 32901GL1 - ESSENCE XL praustuvo maišytuvas, aukso spalvos

    Aukso401,90

  • GROHE 32628DC1 – ESSENCE praustuvės maišytuvas, L dydis, nerūdijančio plieno

    Nerūdijantis plienas282,90

  • GROHE 23106DC1 - Praustuvo maišytuvas LINEARE DN 15 iš nerūdijančio plieno

    Nerūdijantis plienas270,90

  • GROHE 32628GN1 - ESSENCE praustuvo maišytuvas, L dydis, auksinis

    Aukso316,90

  • GROHE 19408GL1 - dviejų angų praustuvo maišytuvas ESSENCE 183 mm, auksinis

    Aukso296,90

  • GROHE 23590DA1 - praustuvo maišytuvas ESSENCE DN 15 bronzinis

    Bronzos223,90

  • GROHE 32628DL1 - praustuvo maišytuvas ESSENCE, L dydis, bronzinis

    Bronzos316,90

  • GROHE 23589DL1 - ESSENCE praustuvo maišytuvas, S dydis, bronzinis

    Bronzos246,90

  • GROHE 19967GN1 - Praustuvo maišytuvas ESSENCE 230 mm, aukso spalvos

    Aukso356,90

  • GROHE 19408DL1 - dviejų angų praustuvo maišytuvas ESSENCE, 183 mm, bronzinis

    Bronzos316,90

  • GROHE 23590DC1 - Praustuvo maišytuvas ESSENCE, dydis S, iš nerūdijančio plieno

    Nerūdijantis plienas208,90

  • GROHE 235522432 - Praustuvo maišytuvas START 192 mm, juodas

    Juoda119,90

  • GROHE 311372432 - Praustuvo maišytuvas QUICKFIX START 165 mm juodas

    Juoda104,90

  • GROHE 234552432 - Praustuvo maišytuvas START, 192 mm, juodas

    Juoda119,90

  • GROHE 242042432 - praustuvo maišytuvas START, dydis M, juodas

    Juoda119,90

  • GROHE 242092432 - Praustuvo maišytuvas QUICKFIX START 165 mm juodas

    Juoda121,90

  • GROHE 19408AL1 - Praustuvo maišytuvas ESSENCE 183 mm grafitas

    Grafitas316,90

  • GROHE 36366002 - Elektroninis praustuvo maišytuvas GET E blizgus chromas

    Blizgus chromas347,90

  • GROHE 23900001 - Praustuvo maišytuvas START EDGE dydis S blizgus chromas

    Blizgus chromas76,90

  • GROHE 23379001 - praustuvo maišytuvas ESSENCE, blizgus chromas

    Blizgus chromas153,90

  • GROHE 32612003 - Praustuvo maišytuvas PLUS, S dydis, blizgus chromas

    Blizgus chromas192,90

  • GROHE 23462001 - Praustuvo maišytuvas ESSENCE DN 15, dydis M, blizgus chromas

    Blizgus chromas180,90

  • GROHE 34294001 - Praustuvo maišytuvas ESSENCE DN 15 blizgus chromas

    Blizgus chromas152,90

  • GROHE 24196001 - Praustuvo maišytuvas START, dydis S, blizgus chromas

    Blizgus chromas80,90

  • GROHE 32628001 - Praustuvo maišytuvas ESSENCE dydis L blizgus chromas

    Blizgus chromas197,90

  • GROHE 32773000 - praustuvo maišytuvas EUROECO SPECIAL 257 mm blizgus chromas

    Blizgus chromas281,90

  • GROHE 24318001 - SWIFT praustuvo maišytuvas, 162 mm, blizgus chromas

    Blizgus chromas70,90

  • GROHE 23039002 - Stalviršinis maišytuvas EUROSTYLE COSMOPOLITAN, XS dydis, chromuotas

    Blizgus chromas93,90

  • GROHE 23844003 - Praustuvo maišytuvas PLUS, dydis L, blizgus chromas

    Blizgus chromas313,90

  • GROHE 32814000 - Praustuvo maišytuvas BAULOOP blizgus chromas

    Blizgus chromas72,90

  • GROHE 32629002 - Praustuvo maišytuvas CONCETTO, L dydis, blizgus chromas

    Blizgus chromas185,90

  • GROHE 23870003 - Praustuvo maišytuvas PLUS dydis S blizgus chromas

    Blizgus chromas192,90

  • GROHE 23926000 - praustuvo maišytuvas DN 15 dydis M blizgus chromas

    Blizgus chromas103,90

  • GROHE 20216001 - trijų skylių praustuvo maišytuvas CONCETTO DN 15 dydis L chromuotas

    Blizgus chromas228,90

  • GROHE 33561002 - Praustuvo maišytuvas EUROSTYLE COSMOPOLITAN DN 15 blizgus chromas

    Blizgus chromas170,90

  • GROHE 19976001 - Trijų skylių vonios maišytuvas ESSENCE, blizgus chromas

    Blizgus chromas499,90

  • GROHE 31137002 - Praustuvo maišytuvas QUICKFIX START dydis S blizgus chromas

    Blizgus chromas80,90

  • GROHE 24331001 - Praustuvo maišytuvas SWIFT 319 mm, blizgus chromas

    Blizgus chromas104,90

  • GROHE 23552002 - Praustuvo maišytuvas START 192 mm blizgus chromas

    Blizgus chromas91,90

  • GROHE 2313500E - Praustuvo maišytuvas EUROCUBE, L dydis, blizgus chromas

    Blizgus chromas257,90

  • GROHE 23444001 - LINEARE praustuvo dviejų skylių maišytuvas, 207 mm, blizgus chromas

    Blizgus chromas259,90

  • GROHE 2313200E - Praustuvo maišytuvas EUROCUBE dydis S blizgus chromas

    Blizgus chromas197,90

  • GROHE 23763000 - Praustuvo maišytuvas BAULOOP, L dydis, blizgus chromas

    Blizgus chromas103,90

  • GROHE 23773001 - Praustuvo maišytuvas START EDGE, dydis S, blizgus chromas

    Blizgus chromas101,90

  • GROHE 23327000 - Praustuvo maišytuvas EUROSMART COSMOPOLITAN DN 15, dydis M, chromuotas

    Blizgus chromas102,90

  • GROHE 23427000 - Praustuvo maišytuvas EURODISC JOY DN 15, M dydis, blizgus chromas

    Blizgus chromas206,90

  • GROHE 23455002 - Praustuvo maišytuvas START 2021, dydis M, blizgus chromas

    Blizgus chromas104,90

  • GROHE 23811000 - Praustuvo maišytuvas START FLOW 310 mm blizgus chromas

    Blizgus chromas101,90

Nemokamas pristatymas
  • Grąžinimas per 60 d.
  • 24 mėnesiai garantija

Prekės kodas: GH1036

GROHE 21390001 - Praustuvo maišytuvas COSTA L, DN 15, blizgus chromas
GROHE 21390001 - Praustuvo maišytuvas COSTA L, DN 15, blizgus chromas
153,90
Įtraukti į mėgstamiausius Pridėti į palyginimą